Glossary Of Electronic And Engineering Terms Full Wave Bridge

Simple Bridge Rectifier Circuit

Differences Between Full Wave Bridge Rectifier And Center Tapped

Controller Lets Designers Replace Rectifier Bridge Diodes With
3 Rectifiers Simulation With Scope Instrument Circuit
3 Rectifiers Simulation With Scope Instrument Circuit

Full Wave Bridge Rectifier Circuit Design Circuit Bridge

Hybrid Bridge Rectifier Design For Tube Amplifiers 2 Silicon

Solved Design A Full Wave Bridge Rectifier Circuit That W

Besttong Single Phase Diode Bridge Rectifiers With Heatsink Design
Solved Exercise 1 27 Design A Full Wave Bridge Rectifier

Diy Full Wave Bridge Rectifier Project Youtube

Three Phase Bridge Rectifier An Overview Sciencedirect Topics

Rectifier Circuits Diodes And Rectifiers Electronics Textbook

Bridge Rectifier Working Characteristics Types Applications

Half Full Wave Rectifier Converting Ac To Dc Rectifier Basics

Bridge Rectifier Circuit Electronics Basics The Geek Pub

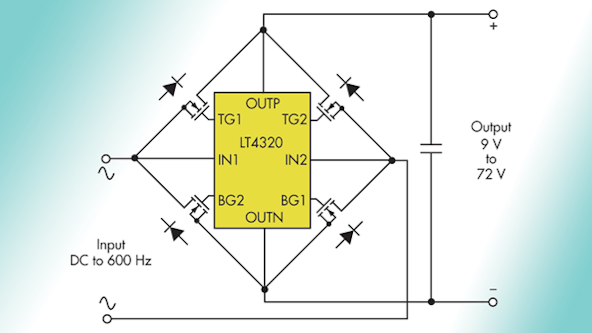
In Depth Linear Technology S Active Bridge Rectifier

Sed3 The Rectifier Circuit Blue Pigeons

Proteus Bridge Rectifier Circuit Simulation And Pcb Layout

Active Bridge Optimizes Power Over Ethernet Design Electronic

Peak Output Current Of A Full Wave Bridge Peak Rectifier

Low Loss 3 Phase Ideal Diode Bridge Rectifier Reduces Heat Easing

Full Wave Rectifier And Bridge Rectifier Theory

Low Loss 3 Phase Ideal Diode Bridge Rectifier Reduces Heat Easing

Single Series Voltage Doubler And Diode Bridge Rectifiers

Edn Ideal Diode Bridge Controller Efficiently Powers Mosfets

Diode Bridge Rectifier Electrical4u

Pcb Design Practical Bridge Rectifier Circuit
What Should Be The Design Frequency Of Current Limiting Inductor

Rectifier Circuits Diodes And Rectifiers Electronics Textbook

Simulate Full Wave Bridge Rectifier With Proteus Youtube
Https Encrypted Tbn0 Gstatic Com Images Q Tbn 3aand9gcthzsu0b2altojbhnkxz7 1iksya Opcmdw9rimtvlvquqcsnow
Dc Power Supply Design

Full Wave Bridge Rectifier Circuit In Multisim Electrical

Rectification Of A Single Phase Supply
Diode Bridge Systemvision Cloud

Solved Design An Ac To Dc Converter Using The Full Wave B

Full Wave Rectifier Circuit Working And Application
No comments:
Post a Comment